|
 |
Tiefladerersatzteile Kässbohrer VT 10 |
Andi514 unregistriert
 |
|
| Tiefladerersatzteile Kässbohrer VT 10 |
 |
Hallo
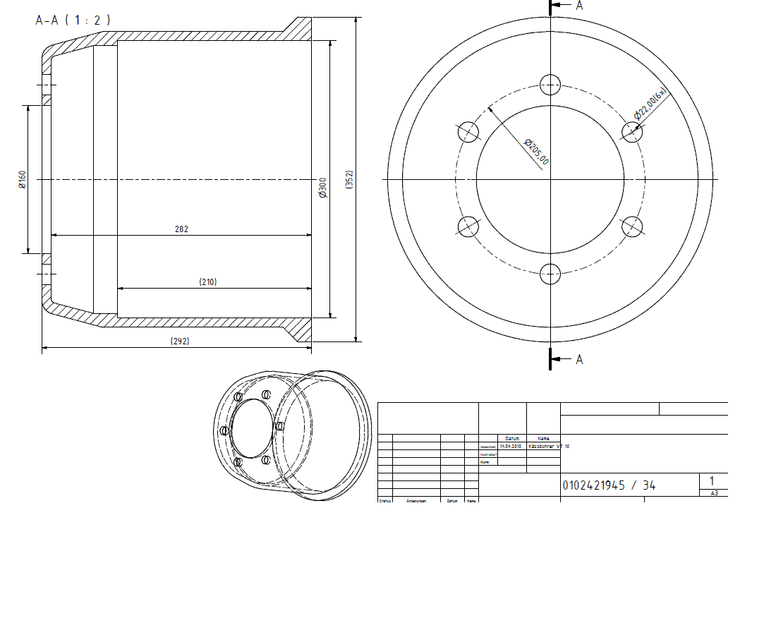
ich habe mir vor kurzem einen Tieflader zugelegt, damit ich ihn auf den eigenen Rädern abholen konnte musste ich eine Bremstrommel zerstören.
Der Besuch des Nutzfahrzeugzulieferers meines Vertrauens, sowie ein Telefonat mit Bremsen Schöbel waren bisher erfolglos.
Hier die Daten
Bremstrommel Ø300mm
Bremsbackenbreite 200mm
Naben Ø 160mm
Lochkreis Ø 205mm
Sechsloch, Stehbolzen M22
Wer hat tipps, wo ich soetwas herbekomme?
Gruß
Andreas
|
|
21.08.2010 23:16 |
|
|
Voscanol
   

Dabei seit: 18.09.2005
Name: Markus Herkunft: Oberpfalz
Alter: 57
 |
|
trost oder europart, die haben so ziemlich alle teile für nutzfahrzeuge
__________________ Markus Enhuber
Logistik International
<<<<<<<<<<<< Global Trading >>>>>>>>>>>>>>>
|
|
21.08.2010 23:39 |
|
|
fern,schnell,gut
   

Dabei seit: 20.06.2010
Name: S@scha Herkunft: Kreis Bergstrasse
Alter: 52
 |
|
| RE: Tiefladerersatzteile Kässbohrer VT 10 |
 |
Hallo Andreas,
wie Voscanol schon geschriebn hat, ist Trost oder Euro Part schon ziemlich gute Adressen.
Sollten beide ein Fehlschlag sein, bekomst Du sicher auch hier geholfen:
Bremsen Schwarz
Viele Grüsse
S@scha
|
|
22.08.2010 12:33 |
|
|
Andi514 unregistriert
 |
|
Hallo
Vielen Dank für die Zügigen Antworten,
Bei Trost war ich schon, ich werd es einfach noch mal versuchen
Gruß
Andreas
|
|
22.08.2010 15:05 |
|
|
Andi514 unregistriert
 |
|
Hallo,
ich war am vergangenen Samstag noch mal bei der Firma Trost, eine Woche zuvor hatte ich dort eine Zeichnung der Bremstrommel abgeliefert. Gibts nicht hamm wer nicht und bekommen wir auch nicht mehr rein, so ähnlich wurde mir gesagt.
Ich bin mir allerdings nicht sicher ob sich der entsprechende Mitarbeiter wirklich bemüht hat um das passende teil zu bekommen.
Ich hoffe natürlich dass es irgendwo noch etwas passendes gibt, denn ich hab keine Lust eine neue Achse zu kaufen. Hat noch jemand irgend welch tipps wo ich noch fragen könnte, bevor ich ein paar Schrottplätze abklappern muss.
Gruß
Andreas
|
|
05.09.2010 21:25 |
|
|
fern,schnell,gut
   

Dabei seit: 20.06.2010
Name: S@scha Herkunft: Kreis Bergstrasse
Alter: 52
 |
|
Hallo Andreas,
eben ist mir aufgefallen, das Deine Bremstrommeldaten, sich in etwa mit den Iveco Bremstrommeln (Eurocargo 120E1
, welche noch bei mir in der Halle liegen, decken könnte. Schaue diese Woche gerne mal nach.
Viele Grüsse
S@scha
|
|
06.09.2010 06:45 |
|
|
Andi514 unregistriert
 |
|
Hallo Sascha
kannst ja mal nachsehen, die würden, wenn sie passen, für meine Zwecke in der Landwirtschaft völlig ausreichen.
Gruß
Andreas
|
|
06.09.2010 19:46 |
|
|
|
|
|
 |
Impressum
|